Link Diretto
  • Conrad
  • Il mio account

    Accedi / Registrati

  • Carrello

  • Promozioni > Promozioni >
  • Categoria Industria
    Industria
    Infrastrutture
    Servizi professionali
  • Mondo Conrad
    Conrad - Your Sourcing Platform
    Conrad Partner
    Nuovi Prodotti
    Guide Conrad
    Vendi su Conrad

    Nostri marchi

    Toolcraft
    Voltcraft
    Tru components
    Renkforce
    Speaka professional
    Sygonix
  • Servizi

    Scopri i nostri servizi.

    Ordini a programma
    eProcurement
    Newsletter
    Servizio Quotazioni
    Cavi su misura
    Servizio Calibrazione
    Guide e novità
  • Scopri i nostri prodotti
  • Il mio account
  • Lista dei preferiti
  • Logout
Conrad
  1. Guide e Articoli
  2. Test, misura e alimentazione
  3. Scegliere il giusto alimentatore da laboratorio

Scegliere il giusto alimentatore da laboratorio

Come scegliere un alimentatore da laboratorio

Gli alimentatori da laboratorio sono dispositivi necessari per garantire l'elettricità con i parametri di qualità richiesti e garantire la sua disponibilità senza problemi. Fornire macchine e dispositivi è una delle aree più importanti dei laboratori di sviluppo, così come nelle industrie: ICT, applicazioni domestiche, trasporti e energia. Il loro funzionamento dipende anche da funzionalità aggiuntive come la possibilità di programmare la tensione di uscita e il limitatore di corrente. Scegli il giusto tipo di alimentazione da laboratorio tra la vasta gamma di dispositivi disponibili sul mercato.

Alimentatore

 

Alimentatori da laboratorio - applicazione

Gli alimentatori da laboratorio con vari parametri sono dispositivi necessari per elettronica, elettricisti o tecnici dell'assistenza. Trasformano la corrente alternata in corrente continua con determinati parametri di tensione e la forniscono a dispositivi elettronici esterni. Garantiscono che i dispositivi collegati all'alimentazione non siano soggetti a guasti dovuti alla fornitura di energia elettrica non conforme alle loro specifiche. Sono utilizzati nei laboratori elettronici e di ricerca, così come nelle officine automobilistiche e nei laboratori di elettronica di hobbisti.

Tipi di alimentatori da laboratorio

  • Alimentatori a tensione costante

Sono alimentatori universali con stabilizzazione elettronica di tensione e corrente continua.

  • Alimentatori regolabili

Sono caratterizzati da una regolazione regolare che consente una regolazione molto accurata della tensione e della corrente in uscita, tenendo conto di incrementi o diminuzioni molto piccoli.

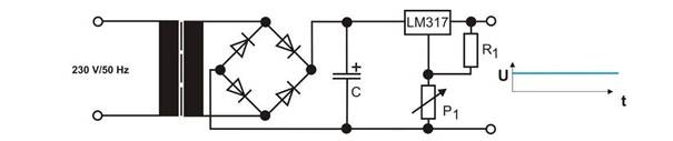
Alimentatori circuito

Esiste un'alternativa per gli alimentatori a tensione costante e consente l'impostazione individuale della tensione di uscita. Nel caso più semplice, ciò avviene utilizzando un regolatore di tensione integrato, ad esempio con la designazione LM 317 (vedere la figura sopra), che riceve il riferimento di corrente dalla tensione di uscita alla stabilizzazione tramite il resistore R1. Modificando il regolatore P1, la tensione di uscita può essere impostata individualmente.

Alimentatore da laboratorio controllato da un microprocessore

Nei moderni alimentatori, i tipici potenziometri utilizzati per regolare la tensione e la corrente sono stati sostituiti da una tastiera (di solito numerica) e dotata di display digitali. Nei modelli più economici di alimentatori, è possibile trovare display a LED e in modelli più costosi, display alfanumerici o a cristalli liquidi, inoltre dotati di retroilluminazione. Hanno molte caratteristiche che li rendono sicuramente più facili da usare. Sul display, oltre ai valori di tensione e corrente di uscita, messaggi quali: superamento della corrente o della tensione impostata, vengono visualizzate le modalità operative della PSU. Un altro vantaggio degli alimentatori a microprocessore è la possibilità di programmare la tensione e la corrente massima e spesso anche impostare il valore corrente,dopo aver superato il quale la corrente di uscita scenderà a zero.

Classificazione degli alimentatori in base al metodo di assemblaggio

Alimentatori da banco

Gli alimentatori da laboratorio possono variare notevolmente nel design. Gli alimentatori da banco sono spesso dotati di pratici manici per un comodo trasporto. Sono dispositivi di potenza che funzionano bene in applicazioni didattiche, così come laboratori e workshop in cui la dimensione dell'alloggiamento è meno importante.

Il principio di funzionamento degli alimentatori di impulsi o switching si basa sul convertitore di tensione montato all'interno. La tensione alternata viene modificata in unidirezionale mediante raddrizzatori e condensatori che uniformano l'ondulazione. Quando si utilizza un alimentatore a modalità commutata, ricordare che i forti impulsi di corrente e tensione devono essere ben filtrati.

Gli alimentatori switching vengono sempre più sostituiti da alimentatori lineari . Questi dispositivi modificano la tensione alternata, utilizzando un trasformatore con una struttura semplice, adattata in modo permanente al valore del dispositivo, evitando il suo danno accidentale. (Riferirsi alla tabella a fondo pagina per i dettagli).

Alimentatori rack

Sono adatti per l'installazione in un armadio elettrico a 19". Gli alimentatori compatibili 19 "sono caratterizzati da bassa altezza e alta potenza, tipicamente superiore a 100 kW. Hanno una ventilazione adeguata per le prestazioni rappresentate e la capacità di controllare gli alimentatori utilizzando l'interfaccia RS-232 o Ethernet. Questo è un dispositivo molto preciso che consente di ridurre al minimo il rumore con un'alta densità di potenza simultanea. Dotato di una vasta gamma di interfacce disponibili, come seriale RS-232, RS-485, USB, LXI o GPIB, grazie alle quali è possibile controllarne completamente il funzionamento da PC.

Scelta di un alimentatore da laboratorio: criteri di selezione per il dispositivo

⦁ numero di canali - i più popolari sono alimentatori a 1 e 2 canali, ma sempre più spesso è possibile trovare dispositivi a 3 e 4 canali

⦁ intervallo di corrente di tensione e di uscita : i dispositivi più piccoli hanno una corrente limitata a poche centinaia di milliampere, mentre gli alimentatori di maggiori dimensioni forniscono una potenza dell'ordine di diverse centinaia di ampere. Vale la pena utilizzare un alimentatore con una certa riserva di carica, soprattutto se si prevede la possibilità di fornitura a lungo termine dei sistemi testati.

⦁ protezione e filtri

  • protezione contro il sovraccarico di corrente di carico troppo alta, preferibilmente con la possibilità di regolare la corrente massima
  • resistenza al surriscaldamento
  • protezione da sovratensioni integrata
  • Filtri di soppressione interferenze EMC che eliminano i disturbi di rete.

Quando si sceglie l'alimentazione, vale anche la risposta alle seguenti domande:

  1. Certificato:
    l'alimentatore deve essere certificato secondo ISO o DAkkS?
  2. Alloggiamento:
    dovrebbe essere un alimentatore da 19 "o un alimentatore da tavolo?
  3. Numero di uscite:
    è sufficiente una uscita o l'alimentazione deve avere più uscite?
  4. Intervallo di tensione:
    l'uscita deve essere regolata e, in caso affermativo, quale intervallo di tensione? Sarà sufficiente un'alimentazione a tensione costante.
  5. Gamma corrente:
    quando si decide l'intervallo corrente, il ricevitore finale è fondamentale. In caso di dubbio, scegli un intervallo leggermente più ampio se il budget lo consente.
  6. Display e indicatori:
    I dispositivi con indicatori analogici o display digitali più precisi sono sufficienti? La visualizzazione della tensione di uscita è sufficiente o deve essere visualizzata la corrente di uscita?
  7. Funzionalità aggiuntive:
    in questo caso, è necessario riflettere attentamente su ciò che è assolutamente necessario. La tensione di uscita fissa viene generalmente aggiunta come opzione standard, ma gli alimentatori non sono dotati di tutte le interfacce e funzioni di programmazione che potrebbero essere rilevanti per applicazioni specifiche.
Alimentatori tradizionali "lineari"Alimentatori "switching"
Gli alimentatori di laboratorio lineari sono relativamente semplici e la regolazione della tensione di uscita è in genere più rapida e accurata. La capacità di uscita è relativamente bassa, con la limitazione attuale che risponde molto rapidamente. I dispositivi sono facili da riparare e non richiedono componenti aggiuntivi per contrastare le interferenze

A causa delle frequenze di clock più elevate, gli alimentatori offrono prestazioni migliori e il design del trasformatore di trasformatori può essere molto più ridotto. Il carico di temperatura è molto più piccolo, inoltre, i condensatori di filtraggio non devono più avere valori di capacità così elevati.

A basse tensioni di uscita e correnti elevate, il carico di temperatura di un alimentatore lineare da laboratorio può essere significativo, il che richiede un buon raffreddamentomediante dissipatori di calore e ventole. Gli alimentatori ad alta potenza richiedono grandi trasformatori , rendendoli meno maneggevoli, pesanti e più costosi.

L'intero alimentatore è molto più piccolo e leggero pur mantenendo le giuste prestazioni. Per questo motivo, gli alimentatori da laboratorio ad alta potenza sono progettati come alimentatori switching.

  •  

    Oltre 1.800.000 prodotti disponibili

     

  • Quotazioni personalizzate

  • Consegna gratuita a partire da €100

  • Soddisfatti o rimborsati

  • 2500 marchi

  • Assistenza Clienti

  • Ordini

  • Spedizione

  • Pagamento

  • Garanzia e Resi

  • FAQ - Domande frequenti

  • Chi Siamo

  • Conrad Your Sourcing Platform

  • Guide & Articoli

  • I nostri Marchi

  • Qualità

  • Ecosostenibilità

  • Informazioni REACH

  • Informazioni sull'accessibilità

  • Servizi Conrad

  • Richiedi quotazione

  • e-Procurement

  • Vendi su Conrad

  • Ordini a programma

  • Link rapidi - Servizi

  • Marchi dalla A alla Z

  • Categorie dalla A alla Z

  • Promozioni 🛒

  • Download center

  • Lavora con noi

  • Vulnerability Disclosure Program

Newsletter

Iscrivetevi alla newsletter e riceverete uno sconto del 10% sul vostro prossimo ordine, senza minimo d'ordine.

Iscrivetevi alla newsletter e riceverete uno sconto del 10% sul vostro prossimo ordine, senza minimo d'ordine.

Inserisci un indirizzo e-mail valido!

Le settimane del clima
* Sconto del 20% su una selezione di prodotti dei marchi Philips e Sygonix e del 10% sull'intera gamma Bosch Home Comfort (ad eccezione dei codici: 2885941, 2885940 e 3730522). Offerta valida fino al 07/06/2026 su conrad.it (esclusi gli ordini Marketplace). Non cumulabile con altri codici promozionali. Offerta limitata a un utilizzo per cliente (privato o business). Ci riserviamo il diritto di limitare le quantità ordinate in casi particolari.

Wiha
* Sconto valido solo sugli articoli restituibili e disponibili a magazzino dei marchi Wiha (stato di disponibilità verde). Offerta valida fino al 31.05.2026 su conrad.it (esclusi gli ordini tramite Marketplace). Non cumulabile con altri codici sconto. Limitato a un utilizzo per cliente professionale/privato. Potrà essere applicata una limitazione delle quantità acquistate a seconda dei casi.

Metodi di pagamento
  • paypal
  • carte-di-credito
  • bonifico
  • contrassegno
I social media

Tutti i prezzi escludono l'IVA ed escludono la spedizione.

Tutti i prezzi includono l'IVA ed escludono la spedizione.

  • Termini e condizioni

  • Informazioni legali

  • Privacy policy

  • Diritto di recesso

Confronto degli articoli
Lista dei preferiti