Link Diretto
  • Conrad
  • Il mio account

    Accedi / Registrati

  • Carrello

  • Promozioni > Promozioni >
  • Categoria Industria
    Industria
    Infrastrutture
    Servizi professionali
  • Mondo Conrad
    Conrad - Your Sourcing Platform
    Conrad Partner
    Nuovi Prodotti
    Guide Conrad
    Vendi su Conrad

    Nostri marchi

    Toolcraft
    Voltcraft
    Tru components
    Renkforce
    Speaka professional
    Sygonix
  • Servizi

    Scopri i nostri servizi.

    Ordini a programma
    eProcurement
    Newsletter
    Servizio Quotazioni
    Cavi su misura
    Servizio Calibrazione
    Guide e novità
  • Scopri i nostri prodotti
  • Il mio account
  • Lista dei preferiti
  • Logout
Conrad
Home
Componenti Elettromeccanici Relè Relè multifunzione e temporizzati Relè multifunzione e temporizzati

Finder 83.02.0.240.0000 83.02.0.240.0000 Relè temporizzato Multifunzionale 1 pz. Intervallo di tempo: 0.05 s (min) 2 sca

EAN:
Codice produttore
Articolo n°:
Un relè temporizzato Finder con manopole per la regolazione dei tempi di ritardo. Adatto per sistemi di controllo elettrici.
Un relè temporizzato Finder con manopole per la regolazione dei tempi di ritardo. Adatto per sistemi di controllo elettrici.
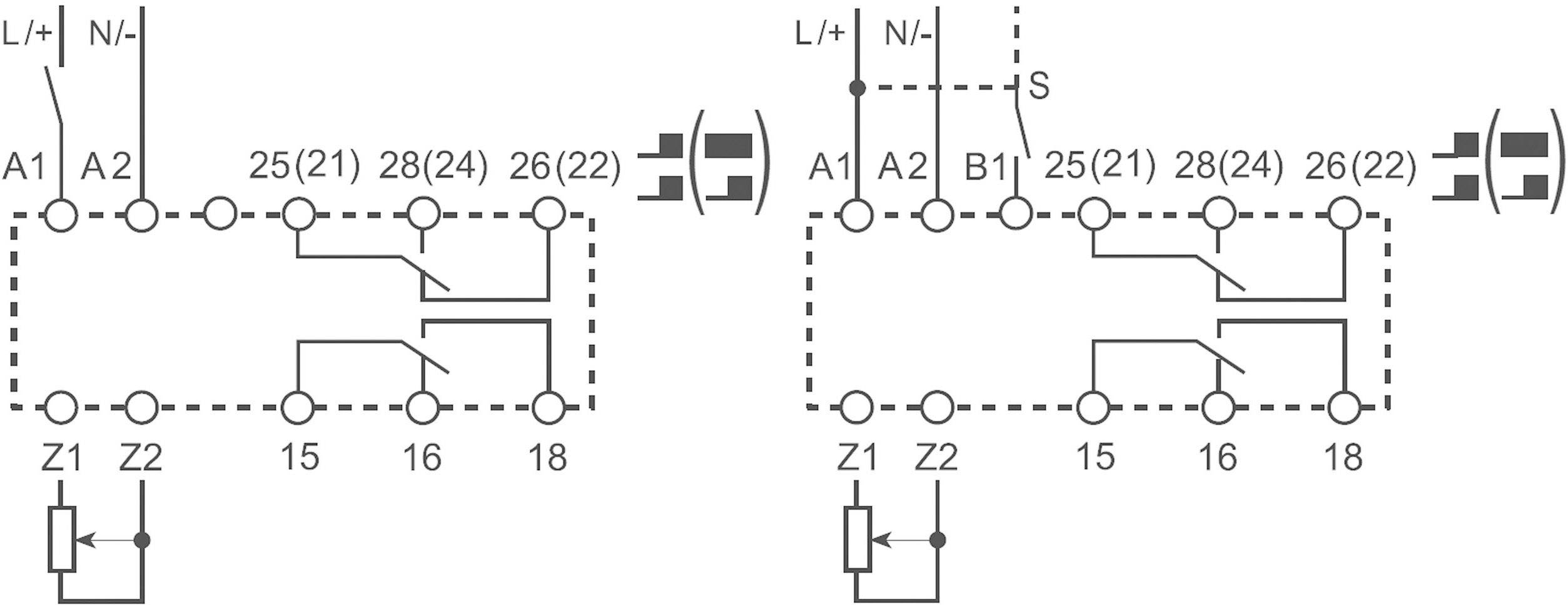
Schema elettrico con due circuiti paralleli, interruttori e designazioni dei relè A1, A2, B1, Z1, Z2; connessioni e simboli elettrici.
Disegno tecnico di un dispositivo rettangolare con dimensioni: larghezza 22,5 mm, altezza 86,2 mm, lunghezza 100,3 mm. Mostrate vista laterale e vista frontale.
1/3
Tipo prodotto
Relè temporizzato
Modello
Multifunzionale
Funzioni
Ritardo all'inserzione
Intervallo
Impulso
Intermittenza asimmetrica, inizio OFF
Ritardo alla disinserzione con segnale di comando
Ritardo all'inserzione e alla disinserzione con segnale di comando
Intervallo istantaneo con segnale di comando
Sorveglianza
Voltaggio operativo Min.
24 V/DC
24 V/AC
Voltaggio Max.
240 V/DC
240 V/AC
Scheda tecnica (PDF)
Finder
Consegna entroLun. 13 Apr.

165 Pezzo(i)
Le vostre esigenze vanno oltre?

Quantità (Pezzo(i))
Risparmio
Prezzo dell'imballaggio (IVA escl.)
1
-
106,55 €
3
3% = 2,95 €
103,60 €
5
4% = 4,13 €
102,42 €
10
5% = 4,93 €
101,62 €
25
5% = 5,80 €
100,75 €
I prezzi a scala possono variare a seconda del venditore
Risparmio 0,00 €

Numero

Totale (106,55 € / Pezzo)
106,55 €
IVA escl. 
Spedizione gratuita
Segnala un problema
  •  

    Oltre 1.800.000 prodotti disponibili

     

  • Quotazioni personalizzate

  • Consegna gratuita a partire da €100

  • Soddisfatti o rimborsati

  • 2500 marchi

  • Assistenza Clienti

  • Ordini

  • Spedizione

  • Pagamento

  • Garanzia e Resi

  • FAQ - Domande frequenti

  • Chi Siamo

  • Conrad Your Sourcing Platform

  • Guide & Articoli

  • I nostri Marchi

  • Qualità

  • Ecosostenibilità

  • Informazioni REACH

  • Informazioni sull'accessibilità

  • Servizi Conrad

  • Richiedi quotazione

  • e-Procurement

  • Vendi su Conrad

  • Ordini a programma

  • Link rapidi - Servizi

  • Marchi dalla A alla Z

  • Categorie dalla A alla Z

  • Promozioni 🛒

  • Download center

  • Lavora con noi

  • Vulnerability Disclosure Program

Newsletter

Iscrivetevi alla newsletter e riceverete uno sconto del 10% sul vostro prossimo ordine, senza minimo d'ordine.

Iscrivetevi alla newsletter e riceverete uno sconto del 10% sul vostro prossimo ordine, senza minimo d'ordine.

Inserisci un indirizzo e-mail valido!

Prodotti Office selezionati
Sconto valido solo su articoli per ufficio selezionati, restituibili e disponibili in magazzino (stato di disponibilità verde). Offerta valida fino al 05.04.2026 su conrad.it (esclusi gli ordini tramite Marketplace). Non cumulabile con altri codici sconto. Limitato a un utilizzo per cliente professionale/privato. Potrà essere applicata una limitazione delle quantità acquistate a seconda dei casi.

Metodi di pagamento
  • paypal
  • carte-di-credito
  • bonifico
  • contrassegno
I social media

Tutti i prezzi escludono l'IVA ed escludono la spedizione.

Tutti i prezzi includono l'IVA ed escludono la spedizione.

  • Termini e condizioni

  • Informazioni legali

  • Privacy policy

  • Diritto di recesso

Confronto degli articoli
Lista dei preferiti