Link Diretto
  • Conrad
  • Il mio account

    Accedi / Registrati

  • Carrello

  • Promozioni > Promozioni >
  • Categoria Industria
    Industria
    Infrastrutture
    Servizi professionali
  • Mondo Conrad
    Conrad - Your Sourcing Platform
    Conrad Partner
    Nuovi Prodotti
    Guide Conrad
    Vendi su Conrad

    Nostri marchi

    Toolcraft
    Voltcraft
    Tru components
    Renkforce
    Speaka professional
    Sygonix
  • Servizi

    Scopri i nostri servizi.

    Ordini a programma
    eProcurement
    Newsletter
    Servizio Quotazioni
    Cavi su misura
    Servizio Calibrazione
    Guide e novità
  • Scopri i nostri prodotti
  • Il mio account
  • Lista dei preferiti
  • Logout
Conrad
Home
Componenti Elettromeccanici Relè Relè industriali

Morsetto relè di commutazione 1 pz. WAGO 859-368 N/A

EAN:
Codice produttore
Articolo n°:
Blocco terminale elettrico grigio con scheda elettronica verde e morsetti a vite, idoneo per applicazioni industriali e cablaggi.
Blocco terminale elettrico grigio con scheda elettronica verde e morsetti a vite, idoneo per applicazioni industriali e cablaggi.
Disegno schematico di un componente elettronico con le seguenti dimensioni: larghezza 91 mm (3,58 pollici), altezza 56 mm (2,2 pollici).
'Grafico della caratteristica corrente-tensione: Tensione (U) sull'asse Y, Corrente (I) sull'asse X. Mostra la diminuzione della tensione all'aumentare della corrente.'
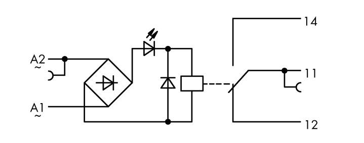
Schema elettrico con raddrizzatore, diodo, lampada e contatti di commutazione in corrispondenza di 11, 12 e 14. Linee collegano i componenti.
1/4
Immagine simile
Tipo prodotto
Morsetto a relè
Tipo contatto
1 scambio
Tensione nom.
230 V/AC
Tensione di commutazione max
250 V/AC
Corrente di commut. max.
5 A
Scheda tecnica (PDF)
Deutsch (Deutschland)
WAGO
Consegna entroLun. 13 Apr.

10 Pezzo(i)

Numero

Totale
26,22 €
-16 %
22,12 €
IVA escl. 
Solo 10 pezzo(i) disponibili
Segnala un problema
  •  

    Oltre 1.800.000 prodotti disponibili

     

  • Quotazioni personalizzate

  • Consegna gratuita a partire da €100

  • Soddisfatti o rimborsati

  • 2500 marchi

  • Assistenza Clienti

  • Ordini

  • Spedizione

  • Pagamento

  • Garanzia e Resi

  • FAQ - Domande frequenti

  • Chi Siamo

  • Conrad Your Sourcing Platform

  • Guide & Articoli

  • I nostri Marchi

  • Qualità

  • Ecosostenibilità

  • Informazioni REACH

  • Informazioni sull'accessibilità

  • Servizi Conrad

  • Richiedi quotazione

  • e-Procurement

  • Vendi su Conrad

  • Ordini a programma

  • Link rapidi - Servizi

  • Marchi dalla A alla Z

  • Categorie dalla A alla Z

  • Promozioni 🛒

  • Download center

  • Lavora con noi

  • Vulnerability Disclosure Program

Newsletter

Iscrivetevi alla newsletter e riceverete uno sconto del 10% sul vostro prossimo ordine, senza minimo d'ordine.

Iscrivetevi alla newsletter e riceverete uno sconto del 10% sul vostro prossimo ordine, senza minimo d'ordine.

Inserisci un indirizzo e-mail valido!

Prodotti Office selezionati
Sconto valido solo su articoli per ufficio selezionati, restituibili e disponibili in magazzino (stato di disponibilità verde). Offerta valida fino al 05.04.2026 su conrad.it (esclusi gli ordini tramite Marketplace). Non cumulabile con altri codici sconto. Limitato a un utilizzo per cliente professionale/privato. Potrà essere applicata una limitazione delle quantità acquistate a seconda dei casi.

Metodi di pagamento
  • paypal
  • carte-di-credito
  • bonifico
  • contrassegno
I social media

Tutti i prezzi escludono l'IVA ed escludono la spedizione.

Tutti i prezzi includono l'IVA ed escludono la spedizione.

  • Termini e condizioni

  • Informazioni legali

  • Privacy policy

  • Diritto di recesso

Confronto degli articoli
Lista dei preferiti