Link Diretto
  • Conrad
  • Il mio account

    Accedi / Registrati

  • Carrello

  • Promozioni > Promozioni >
  • Categoria Industria
    Industria
    Infrastrutture
    Servizi professionali
  • Mondo Conrad
    Conrad - Your Sourcing Platform
    Conrad Partner
    Nuovi Prodotti
    Guide Conrad
    Vendi su Conrad

    Nostri marchi

    Toolcraft
    Voltcraft
    Tru components
    Renkforce
    Speaka professional
    Sygonix
  • Servizi

    Scopri i nostri servizi.

    Ordini a programma
    eProcurement
    Newsletter
    Servizio Quotazioni
    Cavi su misura
    Servizio Calibrazione
    Guide e novità
  • Scopri i nostri prodotti
  • Il mio account
  • Lista dei preferiti
  • Logout
Conrad
Home
Componenti Elettromeccanici Relè Relè multifunzione e temporizzati Relè multifunzione e temporizzati

Siemens 3RP25251AW30 3RP2525-1AW30 Relè temporizzato 1 pz.

EAN:
Codice produttore
Articolo n°:
Un modulo relè Siemens grigio scuro della serie 'SIRIUS' con pulsanti di regolazione sul lato frontale. Il numero di modello '3RP2525-1AW30' è visibile.
Un modulo relè Siemens grigio scuro della serie 'SIRIUS' con pulsanti di regolazione sul lato frontale. Il numero di modello '3RP2525-1AW30' è visibile.
Un quadro elettrico con fili multicolori, interruttori e componenti elettrici per il controllo e la distribuzione dell'energia.
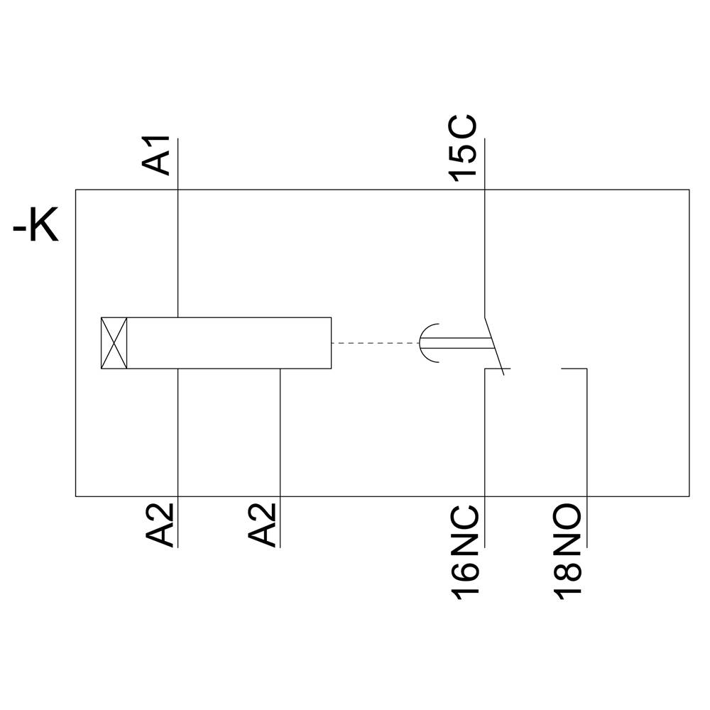
Schema elettrico con un relè: morsetti A1 e A2 per l'alimentazione, contatto di commutazione 15C, contatti normalmente chiusi 16NC e normalmente aperti 18NO.
Disegno tecnico di un dispositivo elettronico con dimensioni: larghezza 175 mm, altezza 91,6 mm. Vista frontale con dettagli sulle connessioni.
1/4
Immagine simile
Tipo prodotto
Relè temporizzato
Voltaggio operativo Min.
12 V
Voltaggio Max.
240 V
Tipo
3RP2525-1AW30
Tensione d'esercizio
12 - 240 V
Scheda tecnica (PDF)
Siemens
 

3 Pezzo(i)
Vendita e spedizione:
Buy Store Official Termini e condizioni

Numero

Totale
€
Solo 3 pezzo(i) disponibili
Avete già l'offerta migliore per la vostra quantità.
La nostra offerta (Prezzi per 1 Pezzo(i))
Conrad Electronic
AGB & Rückgaberichtlinien
 

7 Pezzo(i)

Spedizione gratuita
La nostra offerta

€

IVA escl.
Segnala un problema
  •  

    Oltre 1.800.000 prodotti disponibili

     

  • Quotazioni personalizzate

  • Consegna gratuita a partire da €100

  • Soddisfatti o rimborsati

  • 2500 marchi

  • Assistenza Clienti

  • Ordini

  • Spedizione

  • Pagamento

  • Garanzia e Resi

  • FAQ - Domande frequenti

  • Chi Siamo

  • Conrad Your Sourcing Platform

  • Guide & Articoli

  • I nostri Marchi

  • Qualità

  • Ecosostenibilità

  • Informazioni REACH

  • Informazioni sull'accessibilità

  • Servizi Conrad

  • Richiedi quotazione

  • e-Procurement

  • Vendi su Conrad

  • Ordini a programma

  • Link rapidi - Servizi

  • Marchi dalla A alla Z

  • Categorie dalla A alla Z

  • Promozioni 🛒

  • Download center

  • Lavora con noi

  • Vulnerability Disclosure Program

Newsletter

Iscrivetevi alla newsletter e riceverete uno sconto del 10% sul vostro prossimo ordine, senza minimo d'ordine.

Iscrivetevi alla newsletter e riceverete uno sconto del 10% sul vostro prossimo ordine, senza minimo d'ordine.

Inserisci un indirizzo e-mail valido!

*Sconti validi solo sugli articoli immediatamente disponibili (stato di consegna verde) e soggetti a sconto: -15% su una selezione di articoli del marchio Reolink, -15% su una selezione di articoli del marchio Sygonix e -10% sugli articoli del marchio Abus. Offerta valida fino al 26/04/2026 su conrad.fr (esclusi gli ordini Marketplace). Non cumulabile con altri codici sconto. Limitato a un utilizzo per cliente. In alcuni casi può essere applicata una limitazione delle quantità per ordine. Maggiori informazioni su conrad.it

Metodi di pagamento
  • paypal
  • carte-di-credito
  • bonifico
  • contrassegno
I social media

Tutti i prezzi escludono l'IVA ed escludono la spedizione.

Tutti i prezzi includono l'IVA ed escludono la spedizione.

  • Termini e condizioni

  • Informazioni legali

  • Privacy policy

  • Diritto di recesso

Confronto degli articoli
Lista dei preferiti