Link Diretto
  • Conrad
  • Il mio account

    Accedi / Registrati

  • Carrello

  • Promozioni > Promozioni >
  • Categoria Industria
    Industria
    Infrastrutture
    Servizi professionali
  • Mondo Conrad
    Conrad - Your Sourcing Platform
    Conrad Partner
    Nuovi Prodotti
    Guide Conrad
    Vendi su Conrad

    Nostri marchi

    Toolcraft
    Voltcraft
    Tru components
    Renkforce
    Speaka professional
    Sygonix
  • Servizi

    Scopri i nostri servizi.

    Ordini a programma
    eProcurement
    Newsletter
    Servizio Quotazioni
    Cavi su misura
    Servizio Calibrazione
    Guide e novità
  • Scopri i nostri prodotti
  • Il mio account
  • Lista dei preferiti
  • Logout
Conrad
Home
Automazione e Pneumatica Automazione Quadri di comando Interruttori di potenza

Siemens 3RV1011-0KA10 Interruttore 1 pz. 3 NA Regolazione (corrente): 0.9 - 1.25 A Tens.comm.max: 690 V/AC (L x A x P) 4

EAN:
Codice produttore
Articolo n°:
Un interruttore elettrico con la scritta 'Siemens Sirius', mostra un commutatore da 'I' (Acceso) a 'O' (Spento), con un pulsante verde per il 'Test'.
Un interruttore elettrico con la scritta 'Siemens Sirius', mostra un commutatore da 'I' (Acceso) a 'O' (Spento), con un pulsante verde per il 'Test'.
Macchina industriale dietro il vetro con gocce d'acqua; mostra un pannello aperto con cavi e circuiti. Area destra sfocata.
Interruttore magnetotermico taglia S00 con accessori modulari mostra un interruttore con due contatti ausiliari contrassegnati per l'espansione.
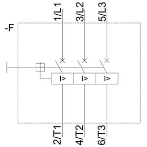
Diagramma di un circuito elettrico con sei punti di connessione contrassegnati: 1/L1, 2/T1, 3/L2, 4/T2, 5/L3, 6/T3, collegati da linee.
'Disegno tecnico di un contattore SIRIUS con dimensioni: vista frontale 90x45mm, vista laterale 70x45mm con connessioni e dettagli.'
1/5
Immagine simile
Tipo prodotto
Interruttore
Impostazione corrente (max.)
1.25 A
Tipo contatto
3 NA
Tipo
3RV1011-0KA10
Dimensione
S00
Scheda tecnica (PDF)
Deutsch (Deutschland)
Siemens
Consegna entroLun. 13 Apr.

4 Pezzo(i)

Quantità (Pezzo(i))
Risparmio
Prezzo dell'imballaggio (IVA escl.)
1
-
67,20 €
3
3% = 1,86 €
65,34 €
5
4% = 2,60 €
64,60 €
10
5% = 3,10 €
64,10 €
25
5% = 3,66 €
63,54 €
I prezzi a scala possono variare a seconda del venditore
Risparmio 0,00 €

Numero

Totale (67,20 € / Pezzo)
67,20 €
IVA escl. 
Solo 4 pezzo(i) disponibili
Segnala un problema
  •  

    Oltre 1.800.000 prodotti disponibili

     

  • Quotazioni personalizzate

  • Consegna gratuita a partire da €100

  • Soddisfatti o rimborsati

  • 2500 marchi

  • Assistenza Clienti

  • Ordini

  • Spedizione

  • Pagamento

  • Garanzia e Resi

  • FAQ - Domande frequenti

  • Chi Siamo

  • Conrad Your Sourcing Platform

  • Guide & Articoli

  • I nostri Marchi

  • Qualità

  • Ecosostenibilità

  • Informazioni REACH

  • Informazioni sull'accessibilità

  • Servizi Conrad

  • Richiedi quotazione

  • e-Procurement

  • Vendi su Conrad

  • Ordini a programma

  • Link rapidi - Servizi

  • Marchi dalla A alla Z

  • Categorie dalla A alla Z

  • Promozioni 🛒

  • Download center

  • Lavora con noi

  • Vulnerability Disclosure Program

Newsletter

Iscrivetevi alla newsletter e riceverete uno sconto del 10% sul vostro prossimo ordine, senza minimo d'ordine.

Iscrivetevi alla newsletter e riceverete uno sconto del 10% sul vostro prossimo ordine, senza minimo d'ordine.

Inserisci un indirizzo e-mail valido!

Prodotti Office selezionati
Sconto valido solo su articoli per ufficio selezionati, restituibili e disponibili in magazzino (stato di disponibilità verde). Offerta valida fino al 05.04.2026 su conrad.it (esclusi gli ordini tramite Marketplace). Non cumulabile con altri codici sconto. Limitato a un utilizzo per cliente professionale/privato. Potrà essere applicata una limitazione delle quantità acquistate a seconda dei casi.

Metodi di pagamento
  • paypal
  • carte-di-credito
  • bonifico
  • contrassegno
I social media

Tutti i prezzi escludono l'IVA ed escludono la spedizione.

Tutti i prezzi includono l'IVA ed escludono la spedizione.

  • Termini e condizioni

  • Informazioni legali

  • Privacy policy

  • Diritto di recesso

Confronto degli articoli
Lista dei preferiti