Link Diretto
  • Conrad
  • Il mio account

    Accedi / Registrati

  • Carrello

  • Promozioni > Promozioni >
  • Categoria Industria
    Industria
    Infrastrutture
    Servizi professionali
  • Mondo Conrad
    Conrad - Your Sourcing Platform
    Conrad Partner
    Nuovi Prodotti
    Guide Conrad
    Vendi su Conrad

    Nostri marchi

    Toolcraft
    Voltcraft
    Tru components
    Renkforce
    Speaka professional
    Sygonix
  • Servizi

    Scopri i nostri servizi.

    Ordini a programma
    eProcurement
    Newsletter
    Servizio Quotazioni
    Cavi su misura
    Servizio Calibrazione
    Guide e novità
  • Scopri i nostri prodotti
  • Il mio account
  • Lista dei preferiti
  • Logout
Conrad
Home
Automazione e Pneumatica Automazione Quadri di comando Interruttori di potenza

Siemens 3RV1011-1KA10 Interruttore 1 pz. 3 NA Regolazione (corrente): 9 - 12 A Tens.comm.max: 690 V/AC (L x A x P) 45 x

EAN:
Codice produttore
Articolo n°:
Un interruttore elettrico con la scritta 'Siemens Sirius', mostra un commutatore da 'I' (Acceso) a 'O' (Spento), con un pulsante verde per il 'Test'.
Un interruttore elettrico con la scritta 'Siemens Sirius', mostra un commutatore da 'I' (Acceso) a 'O' (Spento), con un pulsante verde per il 'Test'.
Si vedono un quadro elettrico aperto con cavi e componenti sul lato sinistro e una vista di una finestra bagnata di pioggia sulla destra.
'Interruttore magnetotermico taglia S00 con accessori montabili: 1) Interruttore magnetotermico con 2) contatto ausiliario laterale e 3) contatto ausiliario trasversale.'
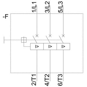
'Schema di collegamento del trasformatore con sei terminali, etichettati come 1/L1, 2/T1, 3/L2, 4/T2, 5/L3, 6/T3; mostra la direzione del flusso.'
Disegno tecnico di un dispositivo elettrico con dimensioni in millimetri. Sono rappresentate le viste frontale e laterale.
1/5
Immagine simile
Tipo prodotto
Interruttore
Impostazione corrente (max.)
12 A
Tipo contatto
3 NA
Tipo
3RV1011-1KA10
Dimensione
S00
Scheda tecnica (PDF)
Deutsch (Deutschland)
Siemens
Consegna entroLun. 13 Apr.

4 Pezzo(i)

Numero

Totale
81,96 €
-18 %
67,20 €
IVA escl. 
Solo 4 pezzo(i) disponibili
Segnala un problema
  •  

    Oltre 1.800.000 prodotti disponibili

     

  • Quotazioni personalizzate

  • Consegna gratuita a partire da €100

  • Soddisfatti o rimborsati

  • 2500 marchi

  • Assistenza Clienti

  • Ordini

  • Spedizione

  • Pagamento

  • Garanzia e Resi

  • FAQ - Domande frequenti

  • Chi Siamo

  • Conrad Your Sourcing Platform

  • Guide & Articoli

  • I nostri Marchi

  • Qualità

  • Ecosostenibilità

  • Informazioni REACH

  • Informazioni sull'accessibilità

  • Servizi Conrad

  • Richiedi quotazione

  • e-Procurement

  • Vendi su Conrad

  • Ordini a programma

  • Link rapidi - Servizi

  • Marchi dalla A alla Z

  • Categorie dalla A alla Z

  • Promozioni 🛒

  • Download center

  • Lavora con noi

  • Vulnerability Disclosure Program

Newsletter

Iscrivetevi alla newsletter e riceverete uno sconto del 10% sul vostro prossimo ordine, senza minimo d'ordine.

Iscrivetevi alla newsletter e riceverete uno sconto del 10% sul vostro prossimo ordine, senza minimo d'ordine.

Inserisci un indirizzo e-mail valido!

Prodotti Office selezionati
Sconto valido solo su articoli per ufficio selezionati, restituibili e disponibili in magazzino (stato di disponibilità verde). Offerta valida fino al 05.04.2026 su conrad.it (esclusi gli ordini tramite Marketplace). Non cumulabile con altri codici sconto. Limitato a un utilizzo per cliente professionale/privato. Potrà essere applicata una limitazione delle quantità acquistate a seconda dei casi.

Metodi di pagamento
  • paypal
  • carte-di-credito
  • bonifico
  • contrassegno
I social media

Tutti i prezzi escludono l'IVA ed escludono la spedizione.

Tutti i prezzi includono l'IVA ed escludono la spedizione.

  • Termini e condizioni

  • Informazioni legali

  • Privacy policy

  • Diritto di recesso

Confronto degli articoli
Lista dei preferiti