Link Diretto
  • Conrad
  • Il mio account

    Accedi / Registrati

  • Carrello

  • Promozioni > Promozioni >
  • Categoria Industria
    Industria
    Infrastrutture
    Servizi professionali
  • Mondo Conrad
    Conrad - Your Sourcing Platform
    Conrad Partner
    Nuovi Prodotti
    Guide Conrad
    Vendi su Conrad

    Nostri marchi

    Toolcraft
    Voltcraft
    Tru components
    Renkforce
    Speaka professional
    Sygonix
  • Servizi

    Scopri i nostri servizi.

    Ordini a programma
    eProcurement
    Newsletter
    Servizio Quotazioni
    Cavi su misura
    Servizio Calibrazione
    Guide e novità
  • Scopri i nostri prodotti
  • Il mio account
  • Lista dei preferiti
  • Logout
Conrad
Home
Automazione e Pneumatica Automazione Quadri di comando Interruttori di potenza

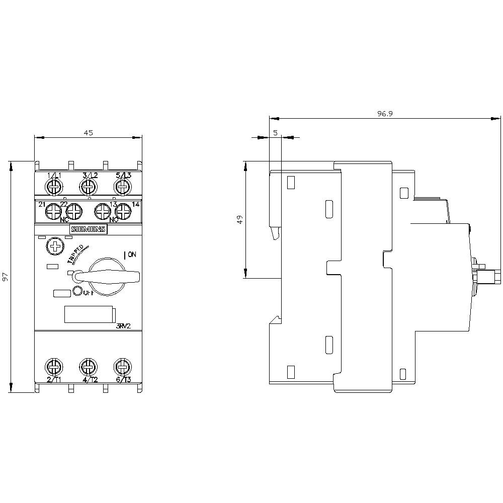
Siemens 3RV2011-1HA15 Interruttore 1 pz. Regolazione (corrente): 5.5 - 8 A Tens.comm.max: 690 V/AC (L x A x P) 45 x 97 x

EAN:
Codice produttore
Articolo n°:
Illustrazione di un interruttore Siemens per applicazioni elettriche. L'interruttore è nella posizione 'Acceso' e mostra diversi morsetti.
Illustrazione di un interruttore Siemens per applicazioni elettriche. L'interruttore è nella posizione 'Acceso' e mostra diversi morsetti.
Armadio elettrico aperto che mostra cavi e componenti. A destra una finestra con gocce d'acqua, vista su macchine industriali.
Diagramma degli 'Accessori Installabili' mostra la disposizione e il collegamento dei componenti elettrici, inclusi interruttori ausiliari e interruttori di segnalazione.
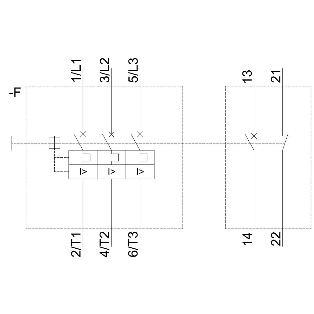
'Schema elettrico con tre fusibili sul lato sinistro, collegati a un interruttore di sezionamento sul lato destro. Etichette: 1/L1, 3/L2, 5/L3.'
Disegno tecnico di un dispositivo elettronico. Vista frontale che mostra i pulsanti di controllo, vista laterale che indica le dimensioni: larghezza 96,9 mm, altezza 97 mm.
'Schema elettrico di un interruttore automatico per motore Siemens 3RV2. Mostra i morsetti, le posizioni dell'interruttore e gli stati di funzionamento. Vista frontale.'
1/6
Immagine simile
Tipo prodotto
Interruttore
Impostazione corrente (max.)
8 A
Tipo
3RV2011-1HA15
Dimensione
S00
Range tensione di controllo
Scheda tecnica (PDF)
Siemens
Consegna entroLun. 13 Apr.

2 Pezzo(i)

Quantità (Pezzo(i))
Risparmio
Prezzo dell'imballaggio (IVA escl.)
1
-
81,96 €
3
3% = 2,27 €
79,69 €
5
4% = 3,18 €
78,78 €
10
5% = 3,79 €
78,17 €
25
5% = 4,47 €
77,49 €
I prezzi a scala possono variare a seconda del venditore
Risparmio 0,00 €

Numero

Totale (81,96 € / Pezzo)
90,16 €
-9 %
81,96 €
IVA escl. 
Solo 2 pezzo(i) disponibili
Segnala un problema
  •  

    Oltre 1.800.000 prodotti disponibili

     

  • Quotazioni personalizzate

  • Consegna gratuita a partire da €100

  • Soddisfatti o rimborsati

  • 2500 marchi

  • Assistenza Clienti

  • Ordini

  • Spedizione

  • Pagamento

  • Garanzia e Resi

  • FAQ - Domande frequenti

  • Chi Siamo

  • Conrad Your Sourcing Platform

  • Guide & Articoli

  • I nostri Marchi

  • Qualità

  • Ecosostenibilità

  • Informazioni REACH

  • Informazioni sull'accessibilità

  • Servizi Conrad

  • Richiedi quotazione

  • e-Procurement

  • Vendi su Conrad

  • Ordini a programma

  • Link rapidi - Servizi

  • Marchi dalla A alla Z

  • Categorie dalla A alla Z

  • Promozioni 🛒

  • Download center

  • Lavora con noi

  • Vulnerability Disclosure Program

Newsletter

Iscrivetevi alla newsletter e riceverete uno sconto del 10% sul vostro prossimo ordine, senza minimo d'ordine.

Iscrivetevi alla newsletter e riceverete uno sconto del 10% sul vostro prossimo ordine, senza minimo d'ordine.

Inserisci un indirizzo e-mail valido!

Prodotti Office selezionati
Sconto valido solo su articoli per ufficio selezionati, restituibili e disponibili in magazzino (stato di disponibilità verde). Offerta valida fino al 05.04.2026 su conrad.it (esclusi gli ordini tramite Marketplace). Non cumulabile con altri codici sconto. Limitato a un utilizzo per cliente professionale/privato. Potrà essere applicata una limitazione delle quantità acquistate a seconda dei casi.

Metodi di pagamento
  • paypal
  • carte-di-credito
  • bonifico
  • contrassegno
I social media

Tutti i prezzi escludono l'IVA ed escludono la spedizione.

Tutti i prezzi includono l'IVA ed escludono la spedizione.

  • Termini e condizioni

  • Informazioni legali

  • Privacy policy

  • Diritto di recesso

Confronto degli articoli
Lista dei preferiti