Link Diretto
  • Conrad
  • Il mio account

    Accedi / Registrati

  • Carrello

  • Promozioni > Promozioni >
  • Categoria Industria
    Industria
    Infrastrutture
    Servizi professionali
  • Mondo Conrad
    Conrad - Your Sourcing Platform
    Conrad Partner
    Nuovi Prodotti
    Guide Conrad
    Vendi su Conrad

    Nostri marchi

    Toolcraft
    Voltcraft
    Tru components
    Renkforce
    Speaka professional
    Sygonix
  • Servizi

    Scopri i nostri servizi.

    Ordini a programma
    eProcurement
    Newsletter
    Servizio Quotazioni
    Cavi su misura
    Servizio Calibrazione
    Guide e novità
  • Scopri i nostri prodotti
  • Il mio account
  • Lista dei preferiti
  • Logout
Conrad
Home
Automazione e Pneumatica Automazione PLC Wago PLC Wago

WAGO WAGO GmbH & Co. KG Modulo ingresso analogico PLC 750-455/025-000 1 pz.

EAN:
Codice produttore
Articolo n°:
Un dispositivo di controllo modulare con più slot e connessioni codificati a colori per l'integrazione elettrica in sistemi industriali.
Un dispositivo di controllo modulare con più slot e connessioni codificati a colori per l'integrazione elettrica in sistemi industriali.
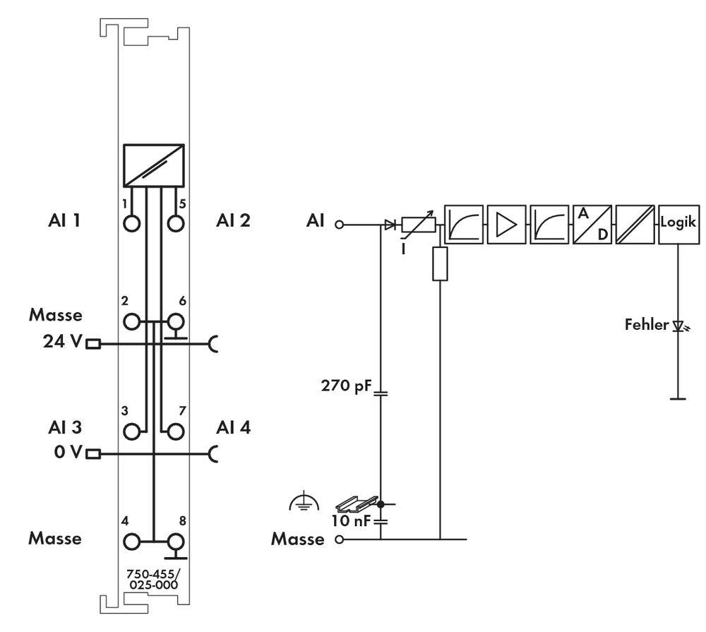
Diagramma dello slot di un modulo elettronico con messaggi di errore e connessioni di massa. In alto sono contrassegnate le indicazioni di errore AI 1-4. Contatto principale al centro.
Schemi di collegamento: Rappresentazione di uno schema elettrico con moduli AI1 fino a AI4, massa, condensatori, blocchi logici e blocchi di errore.
1/3
WAGO
Scheda tecnica (PDF)
Consegna entroGio. 16 Apr.

108 Pezzo(i)
Mostra alternative

Quantità (Pezzo(i))
Risparmio
Prezzo dell'imballaggio (IVA escl.)
1
-
310,66 €
3
2% = 7,59 €
303,07 €
5
3% = 10,59 €
300,07 €
10
4% = 12,62 €
298,04 €
I prezzi a scala possono variare a seconda del venditore
Risparmio 0,00 €

Numero

Totale (310,66 € / Pezzo)
348,36 €
-11 %
310,66 €
IVA escl. 
Spedizione gratuita
Segnala un problema
  •  

    Oltre 1.800.000 prodotti disponibili

     

  • Quotazioni personalizzate

  • Consegna gratuita a partire da €100

  • Soddisfatti o rimborsati

  • 2500 marchi

  • Assistenza Clienti

  • Ordini

  • Spedizione

  • Pagamento

  • Garanzia e Resi

  • FAQ - Domande frequenti

  • Chi Siamo

  • Conrad Your Sourcing Platform

  • Guide & Articoli

  • I nostri Marchi

  • Qualità

  • Ecosostenibilità

  • Informazioni REACH

  • Informazioni sull'accessibilità

  • Servizi Conrad

  • Richiedi quotazione

  • e-Procurement

  • Vendi su Conrad

  • Ordini a programma

  • Link rapidi - Servizi

  • Marchi dalla A alla Z

  • Categorie dalla A alla Z

  • Promozioni 🛒

  • Download center

  • Lavora con noi

  • Vulnerability Disclosure Program

Newsletter

Iscrivetevi alla newsletter e riceverete uno sconto del 10% sul vostro prossimo ordine, senza minimo d'ordine.

Iscrivetevi alla newsletter e riceverete uno sconto del 10% sul vostro prossimo ordine, senza minimo d'ordine.

Inserisci un indirizzo e-mail valido!

Prodotti Office selezionati
Sconto valido solo su articoli per ufficio selezionati, restituibili e disponibili in magazzino (stato di disponibilità verde). Offerta valida fino al 05.04.2026 su conrad.it (esclusi gli ordini tramite Marketplace). Non cumulabile con altri codici sconto. Limitato a un utilizzo per cliente professionale/privato. Potrà essere applicata una limitazione delle quantità acquistate a seconda dei casi.

Metodi di pagamento
  • paypal
  • carte-di-credito
  • bonifico
  • contrassegno
I social media

Tutti i prezzi escludono l'IVA ed escludono la spedizione.

Tutti i prezzi includono l'IVA ed escludono la spedizione.

  • Termini e condizioni

  • Informazioni legali

  • Privacy policy

  • Diritto di recesso

Confronto degli articoli
Lista dei preferiti