Link Diretto
  • Conrad
  • Il mio account

    Accedi / Registrati

  • Carrello

  • Promozioni > Promozioni >
  • Categoria Industria
    Industria
    Infrastrutture
    Servizi professionali
  • Mondo Conrad
    Conrad - Your Sourcing Platform
    Conrad Partner
    Nuovi Prodotti
    Guide Conrad
    Vendi su Conrad

    Nostri marchi

    Toolcraft
    Voltcraft
    Tru components
    Renkforce
    Speaka professional
    Sygonix
  • Servizi

    Scopri i nostri servizi.

    Ordini a programma
    eProcurement
    Newsletter
    Servizio Quotazioni
    Cavi su misura
    Servizio Calibrazione
    Guide e novità
  • Scopri i nostri prodotti
  • Il mio account
  • Lista dei preferiti
  • Logout
Conrad
Home
Componenti Elettromeccanici Relè Relè di sorveglianza Interruttori crepuscolari guida DIN

Finder Interruttore crepuscolare 1 pz. 11.42.8.230.0000 Tensione di funzionamento:230 V/AC Sensibilità alla luce: 1, 20

EAN:
Codice produttore
Articolo n°:
Relè temporizzato 'Finder 11.42.8.230.0000' con manopole di regolazione blu e bianche, specifiche di tensione e potenza. Fabbricato nell'UE.
Relè temporizzato 'Finder 11.42.8.230.0000' con manopole di regolazione blu e bianche, specifiche di tensione e potenza. Fabbricato nell'UE.
Disegno di un dispositivo elettrico con dimensioni: larghezza 35 mm, altezza 88,8 mm. Il prodotto mostra il marchio e il marchio CE. Vista frontale e laterale.
Disegno tecnico di un accessorio metallico con dimensioni: lunghezza 53, altezza 35,2, larghezza 27, fori e angoli di montaggio indicati.
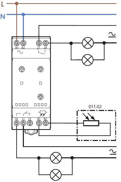
Schema elettrico di un relè con designazione '011.02', mostra i morsetti di ingresso e uscita, due lampadine collegate e un interruttore.
1/4
Tipo prodotto
Interruttore crepuscolare
Tensione di esercizio
230 V/AC
Tipo contatto
1 scambio
1 NA
Tensione di commutazione max
400 V/AC
Corrente di commut. max.
12 A
Scheda tecnica (PDF)
Finder
 

17 Pezzo(i)
Vendita e spedizione:
Conrad Electronic Termini e condizioni

Quantità (Pezzo(i))
Risparmio
Prezzo dell'imballaggio (IVA escl.)
1
-
118,84 € €
3
2% = 2,90 €
115,94 € €
5
3% = 4,04 €
114,80 € €
10
4% = 4,82 €
114,02 € €
I prezzi a scala possono variare a seconda del venditore
Risparmio 0,00 €

Numero

Totale (118,84 € / Pezzo)
€
Segnala un problema
  •  

    Oltre 1.800.000 prodotti disponibili

     

  • Quotazioni personalizzate

  • Consegna gratuita a partire da €100

  • Soddisfatti o rimborsati

  • 2500 marchi

  • Assistenza Clienti

  • Ordini

  • Spedizione

  • Pagamento

  • Garanzia e Resi

  • FAQ - Domande frequenti

  • Chi Siamo

  • Conrad Your Sourcing Platform

  • Guide & Articoli

  • I nostri Marchi

  • Qualità

  • Ecosostenibilità

  • Informazioni REACH

  • Informazioni sull'accessibilità

  • Servizi Conrad

  • Richiedi quotazione

  • e-Procurement

  • Vendi su Conrad

  • Ordini a programma

  • Link rapidi - Servizi

  • Marchi dalla A alla Z

  • Categorie dalla A alla Z

  • Promozioni 🛒

  • Download center

  • Lavora con noi

  • Vulnerability Disclosure Program

Newsletter

Iscrivetevi alla newsletter e riceverete uno sconto del 10% sul vostro prossimo ordine, senza minimo d'ordine.

Iscrivetevi alla newsletter e riceverete uno sconto del 10% sul vostro prossimo ordine, senza minimo d'ordine.

Inserisci un indirizzo e-mail valido!

Le settimane del clima
* Sconto del 20% su una selezione di prodotti dei marchi Philips e Sygonix e del 10% sull'intera gamma Bosch Home Comfort (ad eccezione dei codici: 2885941, 2885940 e 3730522). Offerta valida fino al 07/06/2026 su conrad.it (esclusi gli ordini Marketplace). Non cumulabile con altri codici promozionali. Offerta limitata a un utilizzo per cliente (privato o business). Ci riserviamo il diritto di limitare le quantità ordinate in casi particolari.

Wiha
* Sconto valido solo sugli articoli restituibili e disponibili a magazzino dei marchi Wiha (stato di disponibilità verde). Offerta valida fino al 31.05.2026 su conrad.it (esclusi gli ordini tramite Marketplace). Non cumulabile con altri codici sconto. Limitato a un utilizzo per cliente professionale/privato. Potrà essere applicata una limitazione delle quantità acquistate a seconda dei casi.

Bonus a scelta libera
Omaggio con un ordine minimo di €250, €500 o €1000 più IVA (valore della merce a stock al netto di eventuali resi). Valido fino al 19 giugno 2026 su conrad.it (esclusi ordini Marketplace, carte prepagate/regalo, libri e abbonamenti Business PLUS+). Non cumulabile con altri codici sconto. Un solo omaggio per cliente aziendale/privato. In alcuni casi potrebbe essere applicato un limite alla quantità di articoli.

Metodi di pagamento
  • paypal
  • carte-di-credito
  • bonifico
  • contrassegno
I social media

Tutti i prezzi escludono l'IVA ed escludono la spedizione.

Tutti i prezzi includono l'IVA ed escludono la spedizione.

  • Termini e condizioni

  • Informazioni legali

  • Privacy policy

  • Diritto di recesso

Confronto degli articoli
Lista dei preferiti