Link Diretto
  • Conrad
  • Il mio account

    Accedi / Registrati

  • Carrello

  • Promozioni > Promozioni >
  • Categoria Industria
    Industria
    Infrastrutture
    Servizi professionali
  • Mondo Conrad
    Conrad - Your Sourcing Platform
    Conrad Partner
    Nuovi Prodotti
    Guide Conrad
    Vendi su Conrad

    Nostri marchi

    Toolcraft
    Voltcraft
    Tru components
    Renkforce
    Speaka professional
    Sygonix
  • Servizi

    Scopri i nostri servizi.

    Ordini a programma
    eProcurement
    Newsletter
    Servizio Quotazioni
    Cavi su misura
    Servizio Calibrazione
    Guide e novità
  • Scopri i nostri prodotti
  • Il mio account
  • Lista dei preferiti
  • Logout
Conrad
Home
Cavi e Connettori Connettori Connettori industriali Cavi e connettori per sensori e attuatori

Lütze 492075 Connettore dati per sensore o attuatore RJ45 da pannello Numero di poli: 8P8C 1 pz.

EAN:
Codice produttore
Articolo n°:
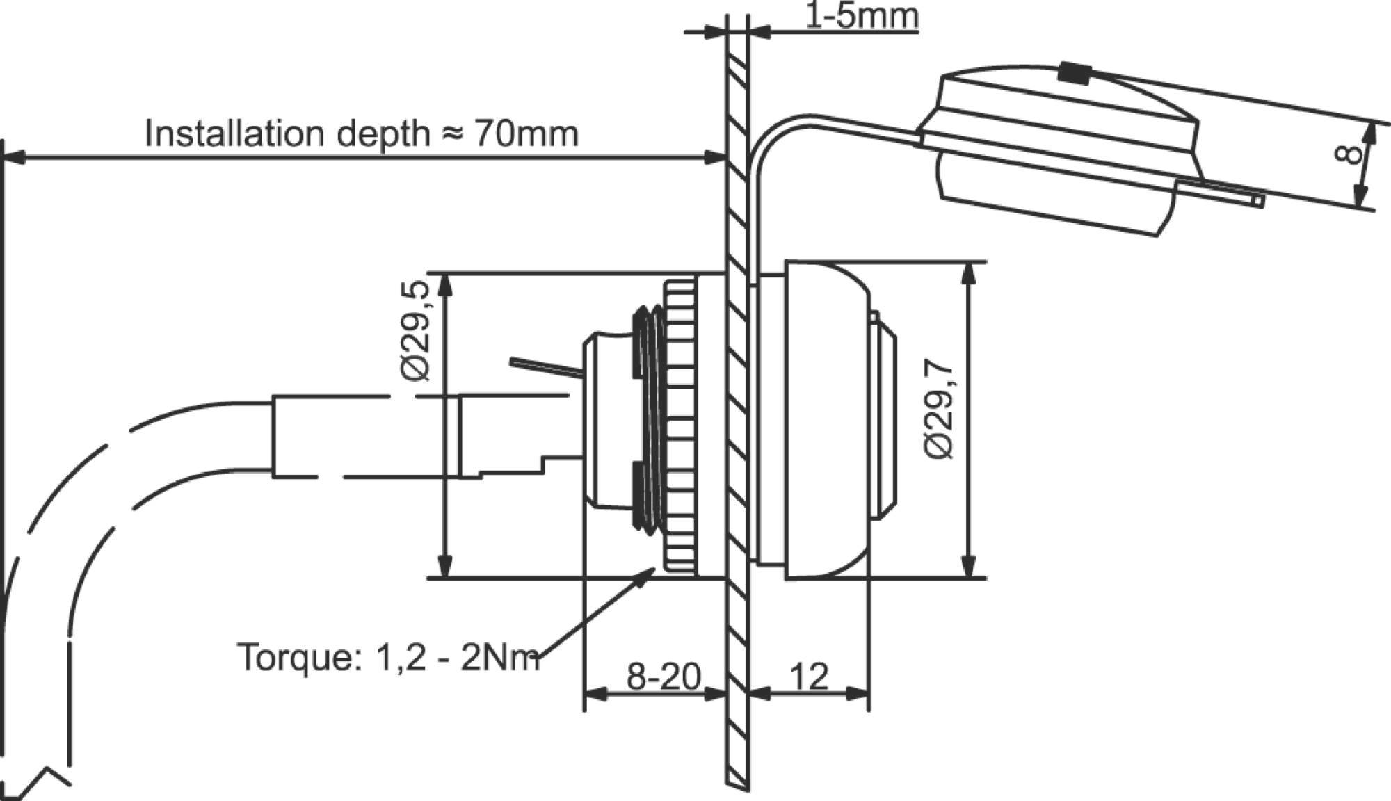
Adattatore di montaggio nero, rotondo, con coperchio aperto, idoneo per l'alloggiamento di un cavo o di un connettore.
Adattatore di montaggio nero, rotondo, con coperchio aperto, idoneo per l'alloggiamento di un cavo o di un connettore.
Disegno di un connettore RJ-45 in vista dall'alto con tre cerchi concentrici intorno.
Disegno tecnico di un componente elettronico. Mostra dimensioni come 'Profondità di installazione ≈ 70 mm' e 'Coppia: 1,2–2 Nm'.
Disegno tecnico di un connettore rotondo con vista frontale e dimensioni: diametro 22,3 mm, altezza 24 mm. La vista dall'alto mostra il collegamento.
Disegno tecnico di un cerchio con diametro Ø22,3 +0,4 -0 e altezza totale di 24,1 +0,4 -0. Larghezza superiore 3,2.
Connettori femmina RJ45 con pin numerati da 1 a 8, che rappresentano i collegamenti dei cavi.
Schema di un motivo a maglia con otto maglie per riga. Le righe sono etichettate con 'SH 1 2 3 4 5 6 7 8 SH'. I simboli mostrano i legamenti delle maglie.
1/7
Tipo prodotto
Connettore dati per sensore o attuatore
Struttura
RJ45 da pannello
Norma connettore
RJ45
Lato collegamento A
RJ45
Lato collegamento B
RJ45
Scheda tecnica (PDF)
Lütze
 

348 Pezzo(i)
Vendita e spedizione:
Conrad Electronic Termini e condizioni

Quantità (Pezzo(i))
Risparmio
Prezzo dell'imballaggio (IVA escl.)
1
-
18,02 € €
3
5% = 0,89 €
17,13 € €
5
7% = 1,25 €
16,77 € €
10
8% = 1,49 €
16,53 € €
25
10% = 1,75 €
16,27 € €
50
11% = 2,05 €
15,97 € €
I prezzi a scala possono variare a seconda del venditore
Risparmio 0,00 €

Numero

Totale (18,02 € / Pezzo)
€
Segnala un problema
  •  

    Oltre 1.800.000 prodotti disponibili

     

  • Quotazioni personalizzate

  • Consegna gratuita a partire da €100

  • Soddisfatti o rimborsati

  • 2500 marchi

  • Assistenza Clienti

  • Ordini

  • Spedizione

  • Pagamento

  • Garanzia e Resi

  • FAQ - Domande frequenti

  • Chi Siamo

  • Conrad Your Sourcing Platform

  • Guide & Articoli

  • I nostri Marchi

  • Qualità

  • Ecosostenibilità

  • Informazioni REACH

  • Informazioni sull'accessibilità

  • Servizi Conrad

  • Richiedi quotazione

  • e-Procurement

  • Vendi su Conrad

  • Ordini a programma

  • Link rapidi - Servizi

  • Marchi dalla A alla Z

  • Categorie dalla A alla Z

  • Promozioni 🛒

  • Download center

  • Lavora con noi

  • Vulnerability Disclosure Program

Newsletter

Iscrivetevi alla newsletter e riceverete uno sconto del 10% sul vostro prossimo ordine, senza minimo d'ordine.

Iscrivetevi alla newsletter e riceverete uno sconto del 10% sul vostro prossimo ordine, senza minimo d'ordine.

Inserisci un indirizzo e-mail valido!

Le settimane del clima
* Sconto del 20% su una selezione di prodotti dei marchi Philips e Sygonix e del 10% sull'intera gamma Bosch Home Comfort (ad eccezione dei codici: 2885941, 2885940 e 3730522). Offerta valida fino al 07/06/2026 su conrad.it (esclusi gli ordini Marketplace). Non cumulabile con altri codici promozionali. Offerta limitata a un utilizzo per cliente (privato o business). Ci riserviamo il diritto di limitare le quantità ordinate in casi particolari.

Wiha
* Sconto valido solo sugli articoli restituibili e disponibili a magazzino dei marchi Wiha (stato di disponibilità verde). Offerta valida fino al 31.05.2026 su conrad.it (esclusi gli ordini tramite Marketplace). Non cumulabile con altri codici sconto. Limitato a un utilizzo per cliente professionale/privato. Potrà essere applicata una limitazione delle quantità acquistate a seconda dei casi.

Metodi di pagamento
  • paypal
  • carte-di-credito
  • bonifico
  • contrassegno
I social media

Tutti i prezzi escludono l'IVA ed escludono la spedizione.

Tutti i prezzi includono l'IVA ed escludono la spedizione.

  • Termini e condizioni

  • Informazioni legali

  • Privacy policy

  • Diritto di recesso

Confronto degli articoli
Lista dei preferiti